辛集市乾森環??萍加邢薰臼且患抑铝τ诎l展循環經濟的環保企業,公司地處京、津、石三市連接的三角地帶,鐵路,高速公路交織,交通十分發達便利。公司占地面積100畝,總建筑面積47000平米,總投資兩億多 元。公司主要產品有:QS-F系列污水處理一體化設備、潛水攪拌機、槳式攪拌機、框式攪拌機、周邊傳動橋式刮泥機、中心傳動垂式刮泥機、壓力過濾器、填料等、PSX系列廢鋼破碎機、大型冶金設備等。其中QS-F系列 污水處理一體化設備采用先進的生物處理工藝,工藝成熟,流程簡捷,占地少,投資省,自動化程度高,運行成本低,是目前有效的污水處理設備,被廣泛用于醫院、賓館、學校小區及村鎮居民區等的污水處理。目 前,公司現有員工300余人,各專業工程師50余人,與河北科技大學、中科院熱物理研究所等各大院校均有合作,利用專業的人才優勢、技術優勢和管理優勢,堅持自主研發和創新,推出多項具有競爭力的環保產品,積 累了豐富的工程經驗,實現了產品的多元化和體系化,保證了產品的技術優勢。
從項目信息,到投標處理、場地勘察、方案設計、安裝調試,施工監管再到24小時響應的售后服務,以超人的速度,光速服務全國。
廣東 湖北 新疆 北京 四川 甘肅 福建 廣西 云南 重慶 江西 江蘇 安徽 河北 河南 上海 寧夏 內蒙古 黑龍江
近日,石家莊發布《城市燃氣等老舊管網更新改造實施方案(2023—2025年)》,提出將利用3年時間,集中對城市建成區老舊管網進行更新改造,加強城市基礎設施系統化和智能化建設,全面提升管網安全運行水平,維護城市基礎設施安
詳情污水廢水的生物處理法。生物處理法從字面意義理解,便是憑借微生物的推陳出新來無害化轉化污水廢水的有機污染物。這種處理辦法的長處是相較于化學處理法和物理處理法來說,處理效果更加好一些,這種辦法當時使用時間尚短
詳情化工廢水是指化工廠出產產品進程中所出產的廢水,如出產乙烯、聚乙烯、橡膠、聚酯、甲醇、乙二醇、油品罐區、空分空壓站等設備的含油廢水,通過生化處理后,一般可到達國家二級排放規范,現由于水資源的缺少,需將到達排放
詳情常見基本概念厭氧:污水生物處理中,沒有溶解氧也沒有硝態氮的環境狀況。
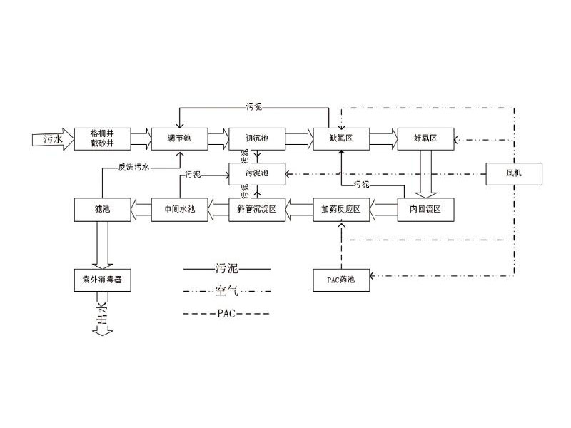
詳情?生活污水處理技術是采用國際先進的生物處理工藝,在總結國內外生活污水處理裝置的運行的基礎上,結合自已的科研成果和工程實踐,設計出的一種一體化污水處理裝置,具有技術性能穩定可靠,處理效果好
詳情????醫療污水處理設備是一款專門為醫院研發的一款處理污水的設備,該設備使用不僅有效解決了醫院污水排放的問題,同時也有效的減少了醫院污水內細菌的傳染,保證了人們以及患者的安全。醫療污水處理
詳情
與相關科研院所建立了長期互補的合作關系:
河北科技大學
中科院熱物理研究所
集團旗下公司:
河北詩奧市政工程有限公司
MORE +聯系人:陳總
電話:15032803333
郵箱:qiansenjixie@163.com?
地址:河北省辛集市位伯鎮工業區宏興路北側
Copyright ? 辛集市乾森環保科技有限公司 All Rights Reserved.
冀ICP備14023547
號-4
